Щиты учетно-распределительные ЩУР изготавливаются в соответствии с ТУ BY 193269486.001-2019. Основное назначение ЩУР — это учет и распределение электроэнергии, а также защиты от перегрузки и токов короткого замыкания напряжением 380/220 В частотой 50 Гц.
Щиты(щитки) ЩУР могут устанавливаться в:
В зависимости от целей и назначения, ЩУР можно разделить на:
Конструктивно, ЩУР изготавливаются для установки на стенах — навесные ЩУР, и для установки в нишах стен — встроенные ЩУР.
Навесные ЩУР имеют степень защиты IP21 или IP44, а встроенные ЩУР изготавливаются со степенью защиты IP21.
| Стандартные условные обозначения щитов для заказа | |
|---|---|
| ЩУР – ХХ – Х – ХХ У3 | Щиток учетно-распределительный |
| ЩУР – ХХ – Х – ХХ У3 | Номер схемы(см. ниже) |
| ЩУР – ХХ – Х – ХХ У3 | Исполнение по способу установки: Н — навесное, У — встроенное в нишу |
| ЩУР – ХХ – Х – ХХ У3 | Степень защиты по ГОСТ 14254: 21 – IP21 44 – IP44 |
| ЩУР – ХХ – Х – ХХ У3 | Климатическое исполнение по ГОСТ 15150 |
Токи расцепителей вводных и линейных автоматических выключателей зависят от требований проекта.
При степени защиты IP21 — номинальные токи расцепителей уменьшаются на 10%, в щитах со степенью защиты IP44 номинальные токи расцепителей уменьшаются на 20%.
| Схема щита | Номинальн. токи аппаратов, А |
Макс. кол-во линейных аппаратов, шт | Габариты
высота × ширина × глубина, мм |
||
|---|---|---|---|---|---|
| Номер схемы | Схема(нажмите для увеличения) | Аппарат ввода |
Аппарат учета |
||
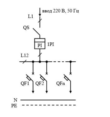
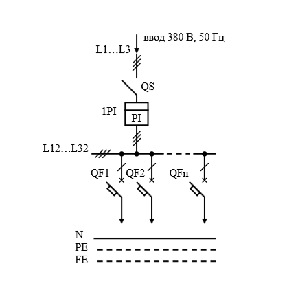
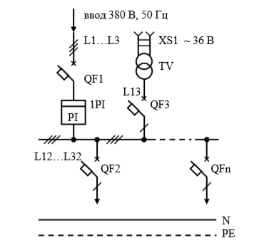
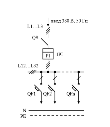
| ЩУР общего назначения | |||||
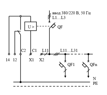
| ЩУР-01 | 63; 100 |
5…50; 10…100 |
12 | 600 × 400 × 200 | |
| ЩУР-02 | 6 + 6 | 600 × 700 × 200 | |||
| ЩУР-03 | 6 + 6 | 600 × 700 × 200 | |||
| ЩУР-04 | 6 + 6 | 600 × 700 × 200 | |||
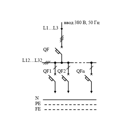
| ЩУР для вентиляционных нагрузок | |||||
| ЩУР-05 | ![]() |
63; 100 |
5…50; 10…100 |
3 … 12 | 600 × 350 × 132 |
| ЩУР для электротепловых нагрузок | |||||
| ЩУР-06 | ![]() |
63 | 5…50 | 3 … 12 | 600 × 400 × 200 |
| ЩУР-07 | ![]() |
63; 100 |
5…50; 10…100 | 3 … 12 | 600 × 700 × 200 |
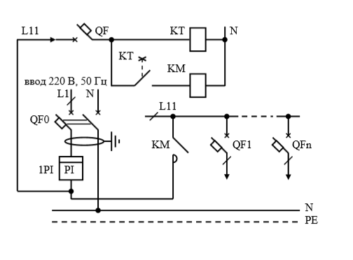
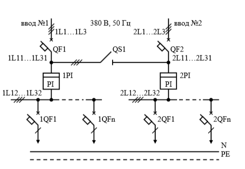
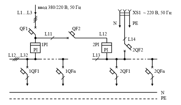
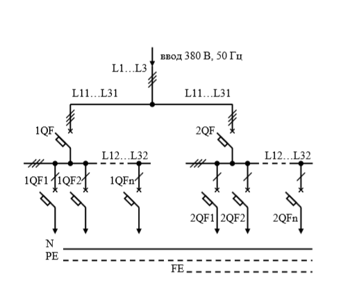
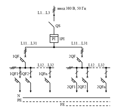
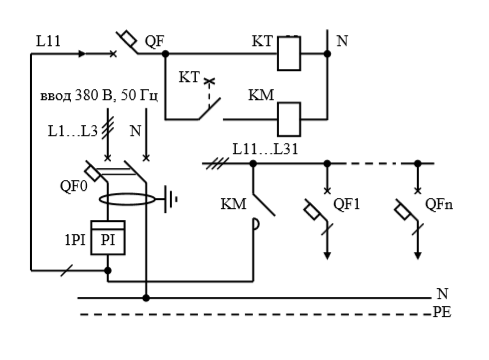
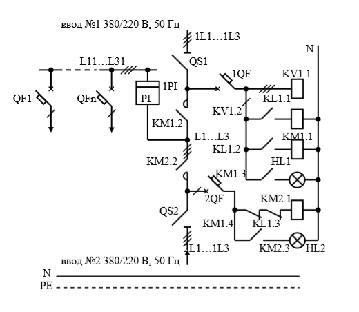
| ЩУР с устройством АВР, могут быть АВР с резервным питанием от генератора | |||||
| ЩУР-08 | ![]() |
63; 100 | — | 3 … 12 | 600 × 400 × 200 |
| ЩУР-09 | ![]() |
63; 100 | 5…50; 10…100 | 3 … 12 | 600 × 700 × 200 |
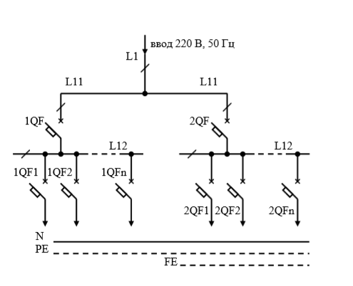
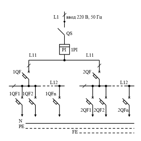
| ЩУР для подключения компьютерной техники(офисные) | |||||
| ЩУР-10 | ![]() |
63; 100 | 5…50; 10…100 | 12 + 12 | 600 × 400 × 200 |
| ЩУР-11 | ![]() |
63; 100 | — | 12 + 12 | 600 × 350 × 132 |
| ЩУР-12 | ![]() |
63 | 5…50 | 6 + 6 | 600 × 350 × 132 |
| ЩУР-13 | ![]() |
63 | — | 6 + 6 | 450 × 350 × 132 |
| ЩУР-14 | ![]() |
63; 100 | 5…50 | 12 | 600 × 350 × 132 |
| ЩУР-15 | ![]() |
63; 100 | — | 9 | 300 × 350 × 132 |
| ЩУР-16 | ![]() |
63; 100 | 5…50 | 12 | 600 × 350 × 132 |
| ЩУР-17 | ![]() |
63 | 5…50 | 14 | 600 × 350 × 132 |
Copyright © 2021—2026 ООО ПЕРФЕКТЭНЕРГО Все права защищены. Разработка сайта OSD.BY
