Устройства вводно-распределительные типа ВРУ-1 предназначены для приёма, распределения и учёта электрической энергии напряжением до 380 В в сетях с глухозаземлённой или изолированной нейтралью переменного тока частотой 50 Гц, а также для защиты линий от перегрузок и токов короткого замыкания.
ВРУ по назначению делятся на:
Конструкция распределительных и вводной распределительных устройств предусматривает исполнение как с блоками управления уличным освещением, так и без них.
Количество отходящих линий и их номинальные токовые нагрузки могут изменяться по требованию заказчика.
ВРУ устанавливаются в жилых и общественных зданиях.
Ввод и вывод проводов и кабелей предусмотрены снизу ВРУ.
Конструкция ВРУ предусматривает возможность его крепления к полу или установку его на фундамент.
Ввод проводов и кабелей предусмотрен снизу ВРУ, вывод отходящих проводов и кабелей – вверх и вниз.
Габаритные размеры ВРУ приведены на рисунке 1.

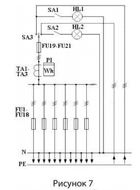
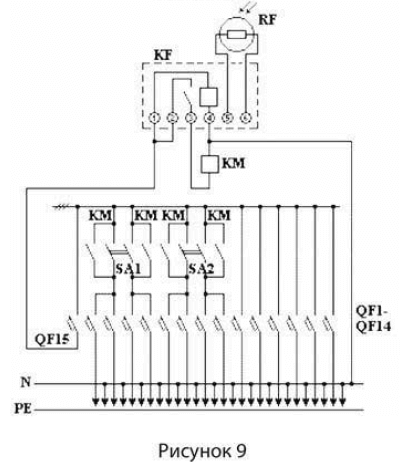
Cхемы электрические принципиальные приведены на рисунках 2 - 9.








Степень защиты ящиков – IP43 по ГОСТ 14254-96.
Вид климатического исполнения – У3 по ГОСТ 15150-69.
Средний срок службы шкафов – 25 лет.
Гарантийный срок эксплуатации шкафов – два года со дня ввода в эксплуатацию, но не более 30 месяцев со дня отгрузки, при соблюдении условий транспортирования, хранения и эксплуатации.
Основные параметры ВРУ представлены в таблице:
| Тип ВРУ | Назначение | Номинальный ток, А | Масса, кг, не более | Схема электрическая, рисунок | |
| ввода | отходящих линий | ||||
| ВРУ-1-2х250 | Вводные | 2х250 | - | 130 | 2 |
| ВРУ-1-2х400 | 2х400 | 2 | |||
| ВРУ-1-2х100 АВР | 2х100 | 3 | |||
| ВРУ-1-2х250 АВР | 2х250 | 3 | |||
| ВРУ-1-2х100+7х100 | Распределительные | - | 2х100+7х100 | 135 | 4 |
| ВРУ-1-2х250+7х100 | 2х250+7х100 | 4 | |||
| ВРУ-1-2х100+7х100 ОС | 2х100+7х100 | 4, 8 | |||
| ВРУ-1-2х250+7х100 ОС | 2х250+7х100 | 4, 8 | |||
| ВРУ-1-1х250/6х100 | Вводно-распределительные | 1х250 | 6х100 | 135 | 5, 6 |
| ВРУ-1-1х400/6х100 | 1х400 | 5, 6 | |||
| ВРУ-1-1х6300/6х100 | 1х6300 | 5, 6 | |||
| ВРУ-1-2х250/6х100 | 2х250 | 7 | |||
| ВРУ-1-1х250/6х100 ОС | 1х250 | 5, 6, 9 | |||
| ВРУ-1-1х400/6х100 ОС | 1х400 | 5, 6, 9 | |||
| ВРУ-1-1х630/6х100 ОС | 1х630 | 5, 6, 9 | |||
| ВРУ-1-2х250/6х100 ОС | 2х250 | 7, 9 | |||
Copyright © 2021—2026 ООО ПЕРФЕКТЭНЕРГО Все права защищены. Разработка сайта OSD.BY
